产品展示
最新动态

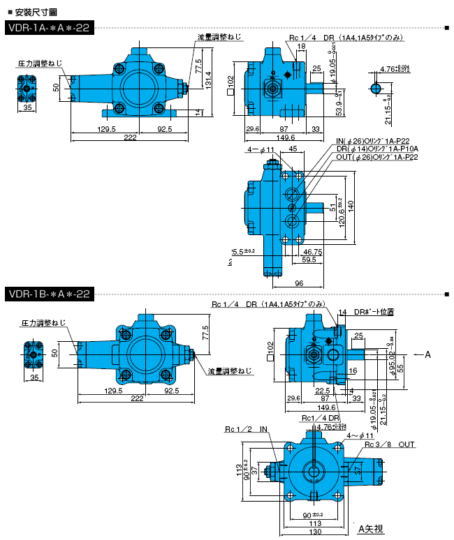
NACHI不二越VDR系列叶片泵
所属类别
发布时间
浏览次数
详情介绍
NACHI不二越VDR系列变量叶片泵特点:
设计号为22系列采用防止环振动偏心活塞和无泄漏的压力平衡机构,达到前所未有的高效和高运转性能。
在14MPa以下的条件下,表现出本级别产品中最好的高效率和良好稳定性。而且反应性能进一步提高,运转噪音大幅降低,在高压领域的运转也可实现静音化。
压力达到14MPa依然稳定,高效率运转。
展现高精度的瞬间应答性。
高压区域静音运转。
降低损失动力。
设计号为22系列采用防止环振动偏心活塞和无泄漏的压力平衡机构,达到前所未有的高效和高运转性能。
在14MPa以下的条件下,表现出本级别产品中最好的高效率和良好稳定性。而且反应性能进一步提高,运转噪音大幅降低,在高压领域的运转也可实现静音化。
压力达到14MPa依然稳定,高效率运转。
展现高精度的瞬间应答性。
高压区域静音运转。
降低损失动力。
优越耐久性的坚固结构。









