最新动态
什么原因会造成力士乐液压泵的搅拌车液压系统出现故障,怎么处理?
发布时间:2017-10-08 09:00:00 浏览次数:1949
搅拌车液压系统是由闭式液压传动组成,发动机动力由传动轴传递到力士乐液压泵,力士乐液压泵将液压能传 递到液压马达,由液压马达来驱动减速机带动搅拌筒工作,从而实现装料、搅拌、卸料的功能。更多详情可以百度一下金泰机械设备

在工程机械中,搅拌车的液压系统力士乐液压泵是较为简单的。搅拌车的液压系统通常分两大类:开式系统与闭式系统,在混凝土搅拌运输车的各个系统中,液压系统是最重要、最精细的工作部件,对它的使用和维护尤其重要。国内各厂家生产的搅拌车使用的液压马达、液压油泵及减速机多是原装进口件
力士乐液压泵开式系统
力士乐液压泵闭式系统
图1是典型闭式液压传动系统组成图,它是由双向(伺服)变量柱塞液压泵、定量柱塞液压马达以及油箱、冷却器、滤油器、胶管等辅件组成。

1、变量泵 2、定量马达 3、油箱 4、闸阀(可选用) 5、滤油器 6、补油吸油管路 7、泵马达联接管路 8、高压管路 9、冷却器 10、冷却器旁通阀 11、回油管路 12、油箱注油口及空气过滤器
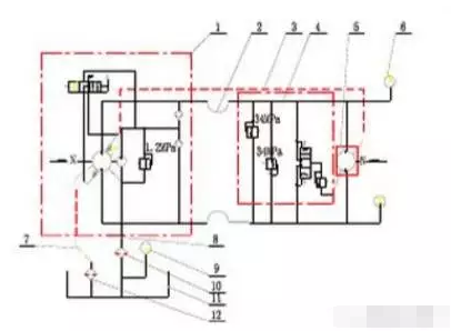
实际使用中,一般将图1中的3、4、9、10号件集成一个整体,有利于安装。动力通过底盘取力器传送给力士乐液压泵-液压马达-减速机-搅拌筒,使搅拌筒实现装料、搅动、卸料等功能。这个传动系统是液压-机械混合式驱动装置,液压系统是中间环节,其工作原理见图2。液压系统是一个闭式液压系统,采用了手动伺服变量柱塞泵1(以下简称主泵)容积式无级调速。系统除了为完成工作所必须的主回路2(由主泵1和定量柱塞液压马达5组成)外,还有与主泵1同轴设置并装成一体的辅助泵(齿轮泵)和由它组成的辅助低压补油吸油回路8以及冷却回油管路7等。辅助泵一路通过两个单向阀向主回路低压区补油;一路经排量控制阀与调节主泵斜盘倾角的伺服液压缸相通,组成液压泵的伺服变量机构油路;还有一路是经集成阀块4中的梭阀、低压溢流阀进入主泵和定量柱塞液压马达(以下简称马达)壳体,经回油管路7及冷却器12回油箱11,对工作中的主泵和马达进行润滑和冷却保护。 图二:

1、手动伺服变量柱塞泵 2、主回路(高压管路) 3、力士乐液压泵马达联接管路 4、集成阀块 5、定量柱塞马达 6、主油路测压表 7、回油管路 8、补油吸油回路 9、真空表 10、滤油器 11、油箱 12、冷却器
为实现搅拌筒变速和换向等功能,在主回路中设置手动变量控制阀。它是主力士乐液压泵斜盘伺服液压缸的随动阀,与主泵斜盘配合控制其排油量,它与主泵做成一体。工作中,可根据搅拌筒的不同工况操作此控制阀的手柄,实现搅拌筒的速度和转向调节。此阀的操作手柄从中间位置向左、右的操作方向和幅度,相应控制主泵的斜盘方位和倾摆角度,决定主泵的排油方向和排油流量,从而通过马达的转换控制搅拌筒的转向和转速。因属随动控制,主泵流量的变化是连续的,从而可实现对搅拌筒的无级调速。但为方便准确掌握不同工况时搅拌筒需要的转速,一般在控制操作面板上相应注明加料、搅拌-搅动-停止-卸料四个位置,以示手柄应该操作的幅度。
在主回路中,为了保证闭式传动系统的正常工作,还设置了由两个高压溢流阀、一个梭形阀和一个低压溢流阀组成的集成阀块4,安装在液压马达上。两个高压溢流阀不仅可以避免主回路在任何一个方向超载时造成对主泵或马达的损坏,而且可起到制动作用。梭形阀在系统工作时给主回路低压区提供一个溢流通道,并由低压溢流阀保持低压区压力,同时也使溢流油流入冷却油路。
冷却油路用于带走主力士乐液压泵和马达在工作时所产生的热量,保证它们的正常运转。其油流由辅助泵的溢流阀和集成阀块中的低压溢流阀供给,在流经主泵和马达的壳体后经冷却器12实现降温。当主泵空运转时,梭形阀由回位弹簧保持中间封闭位置,辅助液压泵的输出油,将直接从主泵溢流阀供给主泵壳体冷却,冷却油不再进入马达壳体。
特点:根据闭式系统的特点,结构紧凑,油箱容积小,工作稳定,只要保证散热系统工作正常是很可靠的。

力士乐液压泵开式系统
开式系统 工作原理及作用:图4-16为常见的开式系统,定量液压泵4、5由驱动轴分别驱动,可以单泵工作,也可以双泵工作,这种系统属于两级调速系统。在低速状态,力士乐液压泵4向液压马达13供油;高速状态,油泵4、5同时向液压马达13供油。液压泵4、5的排油量是不同的,主要根据高速与低速供油状态的转速而定。换向阀8控制搅拌筒正反转,溢流阀7起过载保护作用。溢流阀9、12与单向阀10、11起着防冲击的补油保护作用。
力士乐液压泵闭式系统
图1是典型闭式液压传动系统组成图,它是由双向(伺服)变量柱塞液压泵、定量柱塞液压马达以及油箱、冷却器、滤油器、胶管等辅件组成。

1、变量泵 2、定量马达 3、油箱 4、闸阀(可选用) 5、滤油器 6、补油吸油管路 7、泵马达联接管路 8、高压管路 9、冷却器 10、冷却器旁通阀 11、回油管路 12、油箱注油口及空气过滤器
实际使用中,一般将图1中的3、4、9、10号件集成一个整体,有利于安装。动力通过底盘取力器传送给力士乐液压泵-液压马达-减速机-搅拌筒,使搅拌筒实现装料、搅动、卸料等功能。这个传动系统是液压-机械混合式驱动装置,液压系统是中间环节,其工作原理见图2。液压系统是一个闭式液压系统,采用了手动伺服变量柱塞泵1(以下简称主泵)容积式无级调速。系统除了为完成工作所必须的主回路2(由主泵1和定量柱塞液压马达5组成)外,还有与主泵1同轴设置并装成一体的辅助泵(齿轮泵)和由它组成的辅助低压补油吸油回路8以及冷却回油管路7等。辅助泵一路通过两个单向阀向主回路低压区补油;一路经排量控制阀与调节主泵斜盘倾角的伺服液压缸相通,组成液压泵的伺服变量机构油路;还有一路是经集成阀块4中的梭阀、低压溢流阀进入主泵和定量柱塞液压马达(以下简称马达)壳体,经回油管路7及冷却器12回油箱11,对工作中的主泵和马达进行润滑和冷却保护。 图二:

为实现搅拌筒变速和换向等功能,在主回路中设置手动变量控制阀。它是主力士乐液压泵斜盘伺服液压缸的随动阀,与主泵斜盘配合控制其排油量,它与主泵做成一体。工作中,可根据搅拌筒的不同工况操作此控制阀的手柄,实现搅拌筒的速度和转向调节。此阀的操作手柄从中间位置向左、右的操作方向和幅度,相应控制主泵的斜盘方位和倾摆角度,决定主泵的排油方向和排油流量,从而通过马达的转换控制搅拌筒的转向和转速。因属随动控制,主泵流量的变化是连续的,从而可实现对搅拌筒的无级调速。但为方便准确掌握不同工况时搅拌筒需要的转速,一般在控制操作面板上相应注明加料、搅拌-搅动-停止-卸料四个位置,以示手柄应该操作的幅度。
在主回路中,为了保证闭式传动系统的正常工作,还设置了由两个高压溢流阀、一个梭形阀和一个低压溢流阀组成的集成阀块4,安装在液压马达上。两个高压溢流阀不仅可以避免主回路在任何一个方向超载时造成对主泵或马达的损坏,而且可起到制动作用。梭形阀在系统工作时给主回路低压区提供一个溢流通道,并由低压溢流阀保持低压区压力,同时也使溢流油流入冷却油路。
冷却油路用于带走主力士乐液压泵和马达在工作时所产生的热量,保证它们的正常运转。其油流由辅助泵的溢流阀和集成阀块中的低压溢流阀供给,在流经主泵和马达的壳体后经冷却器12实现降温。当主泵空运转时,梭形阀由回位弹簧保持中间封闭位置,辅助液压泵的输出油,将直接从主泵溢流阀供给主泵壳体冷却,冷却油不再进入马达壳体。
特点:根据闭式系统的特点,结构紧凑,油箱容积小,工作稳定,只要保证散热系统工作正常是很可靠的。
相关新闻
多年力士乐液压泵维修经验总结的液压故障检查方法
2018-01-15 09:00:00
对于 力士乐液压泵 一些较为简单的故障,可以通过眼看、手模、耳听和嗅闻等手段对零部件进行检查例如,通过视觉检查能发现诸如破裂、漏油、松脱和变形等故障想象,从而可及时地维修或更换配件;用手握住油管(特别是胶管)...
辽宁省大连市某造船厂定购了一台REXROTH力士乐齿轮泵PGH4-30040RE11VU2
2016-11-01 09:00:00
辽宁省大连市某造船厂定购了一台REXROTH 力士乐齿轮泵 PGH4-30040RE11VU2 公司拥有一大批专业技术人才,能够确保广大需求群体的需求,供应市场上优质的装载机齿轮油泵。联系电话:18938...
最新液压柱塞泵维修方略与人工检测压力方案
2017-02-07 09:00:00
一、泵体的螺栓的拆卸与紧固 工程机械上的 液压柱塞泵 长期在振动中使用,如果维修后的泵上的螺栓紧固没有达到力矩标准,会造成一系列的隐患与违害。螺栓紧固超出标准力矩,又损伤螺栓。有经验的维修人员不用力矩搬手,也...




