最新动态
图文解REXROTH力士乐柱塞泵的安装方式说明
发布时间:2017-08-21 09:00:00 浏览次数:2206
在调试时,必须向REXROTH力士乐柱塞泵壳体内注入油液,并且在运行时要注满;为了降低运行噪音等级,所有连接管路(吸油,压力和箱体泄油管路)都必须使用柔性元件与油箱分开;必须避免在箱体泄油管路中使用单向阀。箱体泄油管路必须在管路尺寸无变化的情况下直接接回到油箱
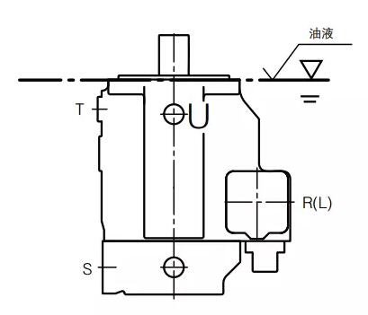
在进行垂直安装时,建议冲洗轴承以润滑前轴承。必须考虑下列安装条件:★在油箱内安装☆当最低油位等于或高于泵安装法兰区域时:油口 R/(L),T和 S 打开(请参见下图)。

☆当最低油位低于安装法兰区域时:必须对油口 R/(L),T和(可能的话)S进行管道连接,如下图中所示。此外,还要遵守下文中所述条件。

在安装之前,将泵置于水平位置并向泵壳体内注油。将油口T用管道连接至油箱,R/(L)则封堵。在安装条件下注油:通过R注油,通过T排气,之后封堵油口R。条件:必须保证泵的最小入口压力(吸油压力)为 0.8 bar(绝对)。避免在油箱上方安装以减小噪音等级。
油口 T,K1,K2 或 R/(L)的最高位置必须用于注油/排气,然后连接箱体泄油管路
☆当最低油位等于或高于泵的上边缘时:壳体泄油口和吸油口S打开(请参见下图)。

当最低油位低于泵的上边缘时:必须对壳体泄油口和油口 S进行管路连接,请参见下图。 请遵守上文中所述条件。在调试前向泵壳体注油。
☆在油箱上方安装:请参见下图,请遵守上文中所述条件。
垂直安装(轴端朝上)
在REXROTH力士乐柱塞泵油箱内安装
在进行垂直安装时,建议冲洗轴承以润滑前轴承。必须考虑下列安装条件:★在油箱内安装☆当最低油位等于或高于泵安装法兰区域时:油口 R/(L),T和 S 打开(请参见下图)。


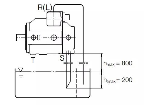
在REXROTH力士乐柱塞泵油箱外安装
在安装之前,将泵置于水平位置并向泵壳体内注油。将油口T用管道连接至油箱,R/(L)则封堵。在安装条件下注油:通过R注油,通过T排气,之后封堵油口R。条件:必须保证泵的最小入口压力(吸油压力)为 0.8 bar(绝对)。避免在油箱上方安装以减小噪音等级。
REXROTH力士乐柱塞泵水平安装
注 意
油口 T,K1,K2 或 R/(L)的最高位置必须用于注油/排气,然后连接箱体泄油管路
☆当最低油位等于或高于泵的上边缘时:壳体泄油口和吸油口S打开(请参见下图)。

在REXROTH力士乐柱塞泵油箱外安装
☆在油箱上方安装:请参见下图,请遵守上文中所述条件。
☆在油箱下方安装:必须对壳体泄油口和油口S进行管路连接 ,请参见下图。

相关新闻
唐山某机械传播公司订购了两台力士乐柱塞泵型号A10VO71DFLR31R-VSC 42N00
2017-05-25 09:00:00
唐山某机械传播公司订购了两台 力士乐柱塞泵 型号A10VO71DFLR31R-VSC 42N00 经过多天的洽谈终于签订了合同,质量保证一年,终生维修,并对原来使用的油泵进行维修,现货已经到了客户手上,已经在安...
力士乐油泵主缸升降运动液压系统故障原因分析
2017-10-16 09:00:00
柱塞泵使用寿命的长短,与平时的维护保养,液压油的数量和质量,油液清洁度等有关。避免油液中的颗粒对柱塞泵磨擦副造成磨损等,也是延长柱塞泵寿命的有效途径。使用过 力士乐油泵 的用户朋友们都知道,当力士乐油泵在机械...
力士乐柱塞泵比例阀的特点介绍
2016-11-01 09:00:00
力士乐柱塞泵的比例阀控制属于连续控制,它的主要特点就是输出量会随着输入量的变化而随之变化,输出量和输入量间存在一定比例关系,比例控制有着开环和闭环控制的区别。但是它有什么特点呢?下面我们就给大家介绍一下: ...




